Valvola a corsa rapida / Svuotamento rapido elettrico 12/24V
Valvola a corsa rapida / Svuotamento rapido elettrico 12/24V
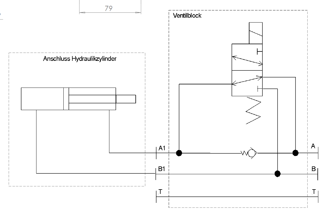
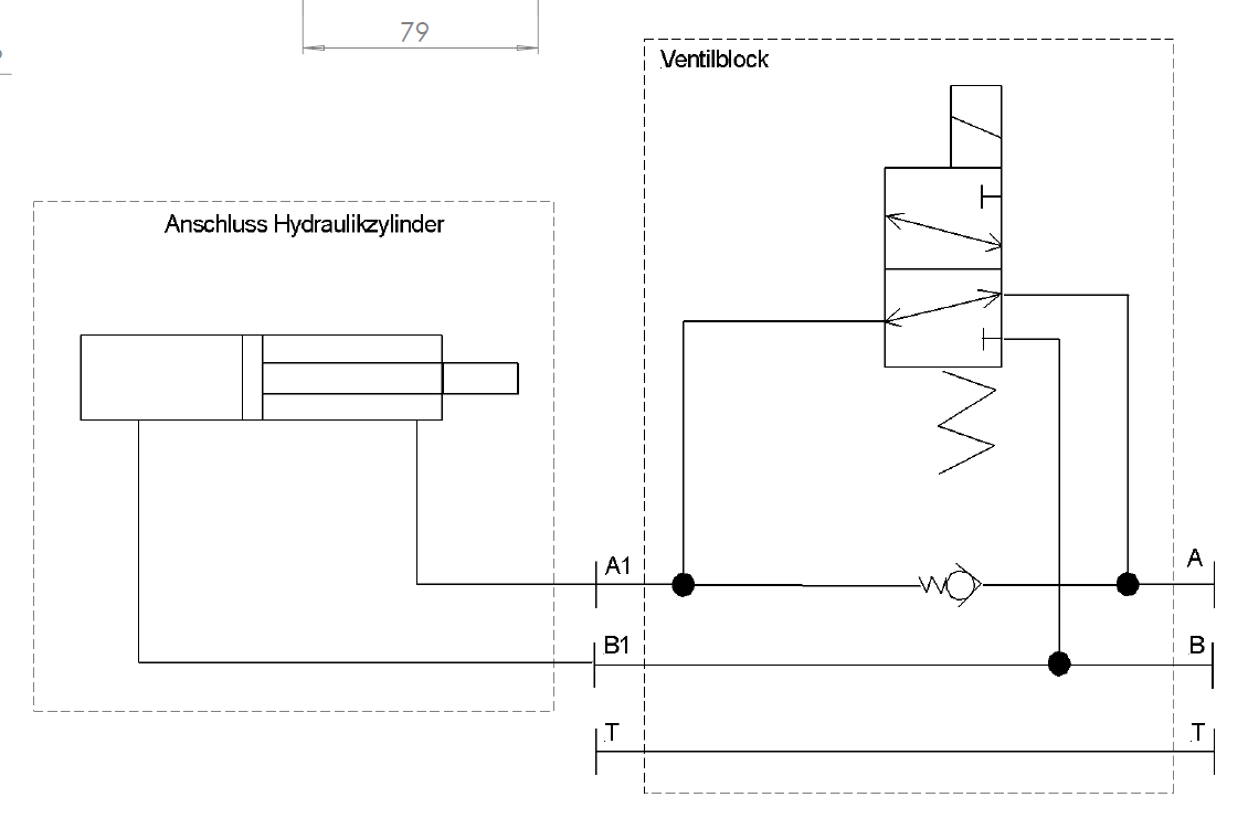
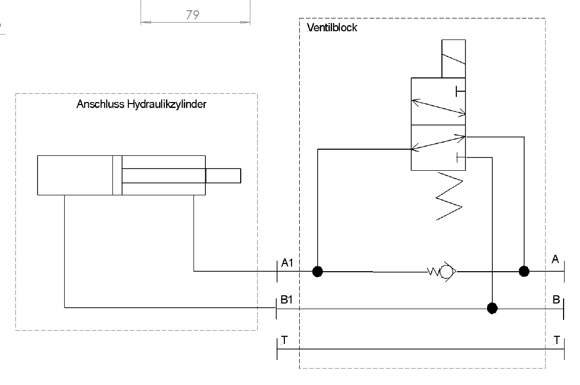
Viene offerta qui una valvola a corsa rapida commutabile elettricamente.
Può essere utilizzato per diverse applicazioni.
Può ad esempio aumentare la velocità di estensione del cilindro nel spaccalegna o permettere uno svuotamento rapido della benna nel caricatore frontale.
Attraverso la valvola elettrica, se necessario, il lato dell'asta del pistone può essere commutato sul lato del fondo del pistone.
In questo modo, il flusso volumetrico di ritorno dal lato dell'asta del pistone viene sommato al flusso volumetrico fornito dal lato del fondo del pistone.
Dati tecnici:
Portata nominale: 50 l/min
Pressione massima: 210 bar
Collegamenti di lavoro A/B/A1/B1: 1/2“ BSP
Tensione di commutazione: 12V / 24V DC
Corrente di commutazione: 3 Ampere
Su richiesta anche opzionalmente con le viti adatte!
Condividi
SKU:
10 disponibile/i
Impossibile caricare la disponibilità di ritiro





