Valvola di regolazione della corrente a 2 vie elettrico-proporzionale (opzionalmente con controllo)
Valvola di regolazione della corrente a 2 vie elettrico-proporzionale (opzionalmente con controllo)
Vengono offerti qui regolatori di corrente elettrici proporzionali preassemblati.
Il sistema può essere utilizzato per regolare a distanza la portata idraulica. In questo modo, ad esempio, è possibile impostare la velocità di rotazione dei motori idraulici o la portata nelle valvole idrauliche.
Un'applicazione è ad esempio la regolazione della velocità del pavimento a griglia nei carri di carico o nei spargimangimi.
Inoltre, un'impostazione diretta della funzione rampe consente di regolare l'avvio morbido e la decelerazione del flusso volumetrico.
Si può anche impostare un valore massimo.
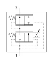
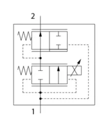
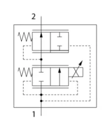
Il regolatore di corrente è una valvola di regolazione della corrente compensata a 2 vie, il che lo rende adatto anche per l'uso in sistemi a centro chiuso, come il sistema Load-Sensing. Può inoltre essere installato direttamente nelle linee di mandata o di ritorno, senza che sia necessario un bypass verso il serbatoio.
Grazie alla compensazione, il flusso è indipendente dalla pressione (a differenza di un restringimento).
Possibile controllo:
-
Senza controllo (solo bobina)
- Il flusso volumetrico può essere regolato tramite un segnale PWM esterno
-
Consegnare solo amplificatori proporzionali
- Attraverso un segnale 0-10V o direttamente tramite una resistenza regolabile da 4k7 (ad esempio potenziometro o joystick) la valvola di regolazione della corrente può essere comandata in modo regolabile
-
Incl. controllo (con potenziometro)
- con interruttore principale per accendere/spegnere
- Alimentazione tramite presa a tre poli
- 2m cavo di collegamento tra unità di controllo e connettore
- 5m cavo di collegamento tra unità di controllo e valvola di regolazione della corrente
Il sistema è completamente preassemblato e pronto all'uso immediatamente.
Dati tecnici:
- max. Portata nominale: fino a 90 l/min (a seconda della selezione)
- max. pressione: 210 bar (su richiesta disponibile anche fino a 315 bar)
- Tensione nominale: opzionale 12 o 24 VDC
- Classe di protezione: IP65 (Scatola di regolazione: IP67)
- Isteresi: 8%
- Filter classe olio: 18/16/13 secondo ISO4406
- Temperatura dell'olio: -20°C a 80°C
- Filettatura di collegamento:
- 10 l/min: 1/4" BSP
- 30 l/min: 3/8" BSP
- 50 l/min: 1/2" BSP
- 90 l/min: 3/4" BSP
Assegnazione delle connessioni
1= Ingresso
2= Uscita
Condividi
SKU:
Scorte ridotte: ne restano 3
Impossibile caricare la disponibilità di ritiro



