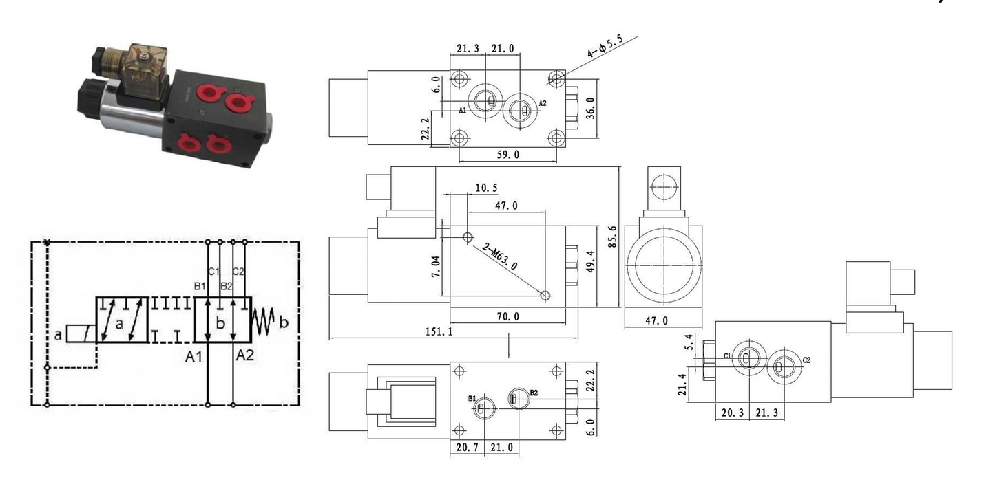
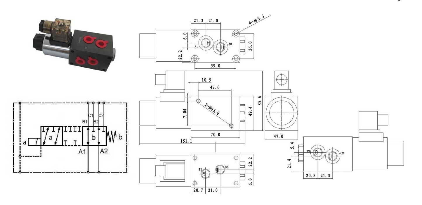
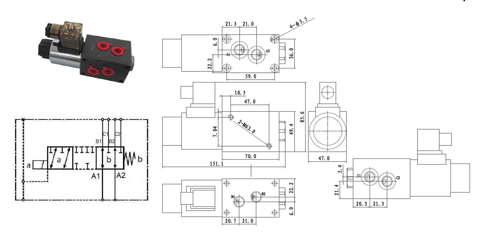
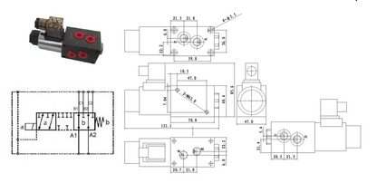
Mini-6/2-valvola a 2 vie valvola di commutazione 1/4"BSP 25 l/min 12VDC
Mini-6/2-valvola a 2 vie valvola di commutazione 1/4"BSP 25 l/min 12VDC
Qui vengono offerti nuovi valvole molto compatte 6/2 vie (opzionalmente con raccordi a tubo per il collegamento diretto di tubi o tubazioni).
Questi possono essere utilizzati per i compiti più diversi. Spesso vengono utilizzati per installare un ulteriore circuito di controllo sul caricatore frontale.
La valvola commuta tra due circuiti di controllo, permettendo di azionare una seconda funzione a doppio effetto tramite un semplice interruttore elettrico.
In questo set sono inoltre inclusi, a scelta, sei raccordi a compressione per collegare direttamente tubi o tubazioni.
All'offerta sono inoltre incluse due viti di fissaggio per il montaggio della valvola e una spina LED per il collegamento elettrico.
Dati tecnici:
- Filettatura di collegamento: 1/4" BSP
- pressione max.: 250 bar
- portata massima: 25 l/min
- Tensione: 12 VDC
Condividi
SKU:SA6V1412CC
Impossibile caricare la disponibilità di ritiro




