Hydraulica con corsa rapida e kick-out per spaccalegna
Hydraulica con corsa rapida e kick-out per spaccalegna
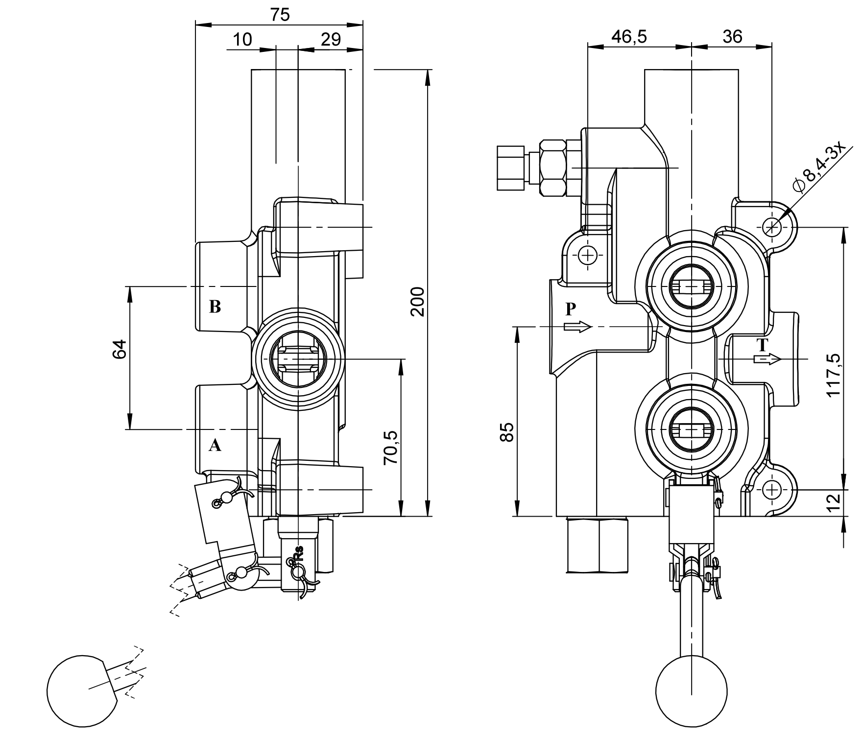
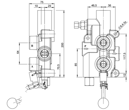
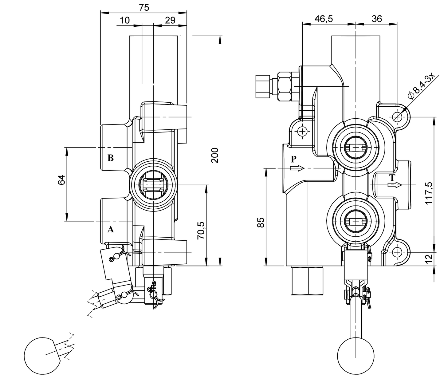
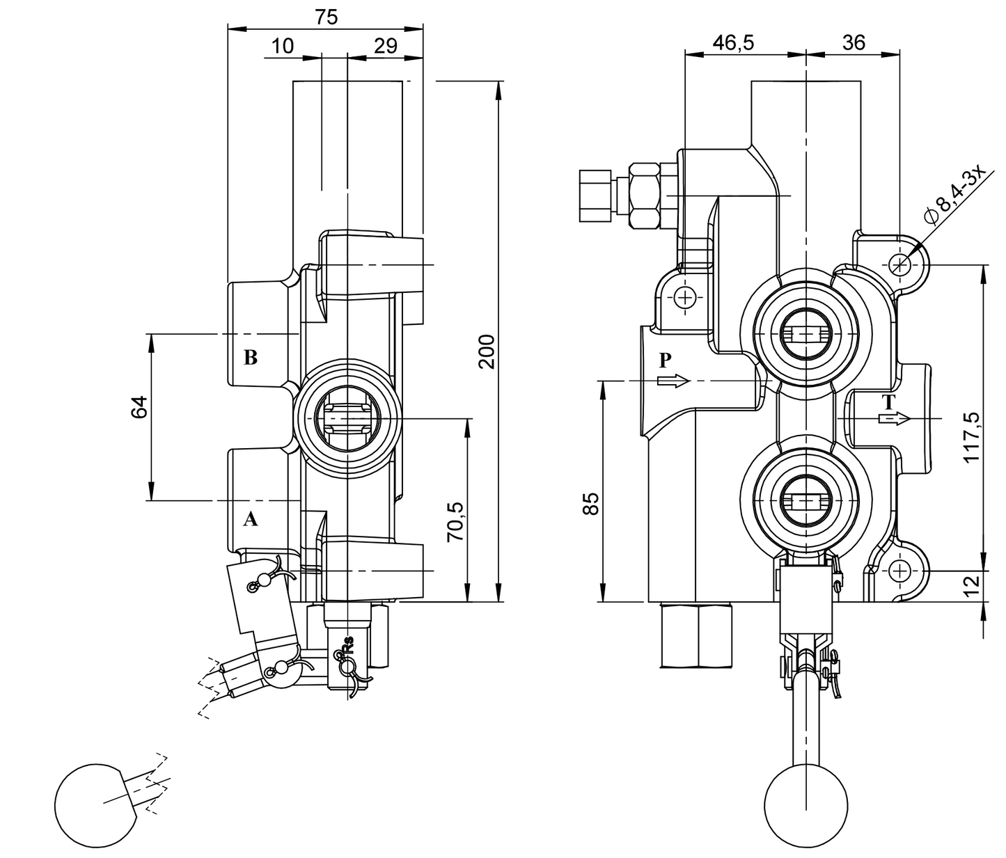
Si tratta di una valvola progettata appositamente per l'uso nello spaccalegna.
Durante l'estensione aumenta notevolmente la velocità del pistone grazie alla funzione di corsa rapida integrata. L'olio di ritorno dal lato dell'asta del cilindro viene quindi convogliato anche sul lato del fondo del pistone.
Non appena la pressione nel cilindro aumenta (cioè quando il cuneo spacca la fascina), la valvola torna alla nota funzione a doppio effetto e l'impianto spacca la fascina con piena pressione.
Successivamente si porta il comando nella posizione più arretrata. Questa posizione è bloccata e il comando fa ritornare il cilindro senza azionamento attivo. Al raggiungimento della posizione finale la valvola torna al flusso neutro e l'olio scorre senza pressione nell'impianto.
Questa funzione è anche chiamata Kick-Out.
La valvola può essere utilizzata in combinazione con i più diversi sistemi.
La valvola di limitazione della pressione integrata protegge l'impianto da sovrappressioni.
Dati tecnici:
- portata max.: 80 l/min
- pressione di lavoro max.: 250 bar
- attacco pompa: G3/4"
- attacco serbatoio: G3/4"
- attacchi di lavoro A+B: G1/2"
Condividi
SKU:YFM80/1DECL4P
Disponibile
Impossibile caricare la disponibilità di ritiro






