
Non sei sicuro di quale articolo scegliere? Leggi subito le nostre guide!
-
Auswahl del dispositivo di controllo per caricatore frontale adatto
Hier klickenQui abbiamo raccolto tutto il necessario per la scelta della valvola adatta.
-
Valvola a farfalla o valvola di regolazione della corrente?
Clicca quiQui spieghiamo le differenze e le particolarità
-
-
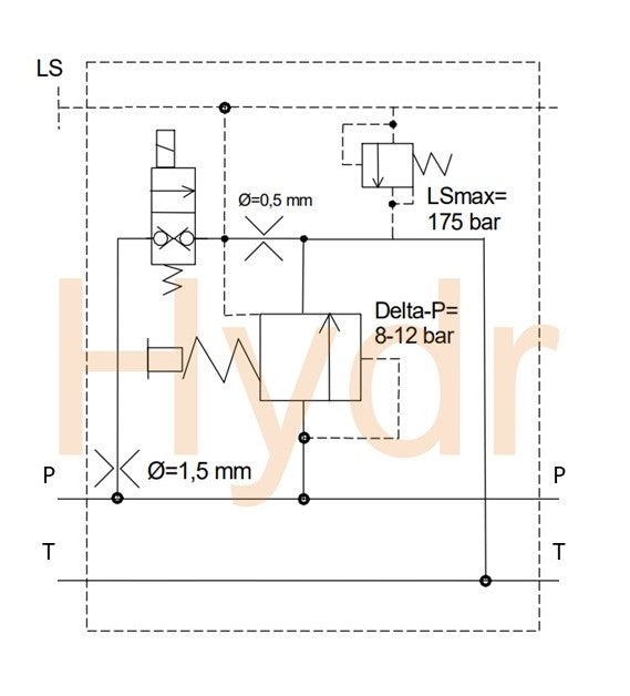
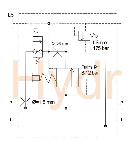
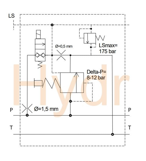
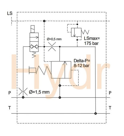
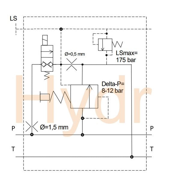
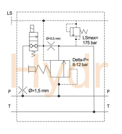
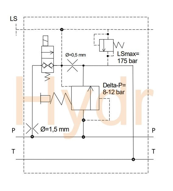
Differenze SB7; SB23 LS e SB23 OC
Hier klickenQui offriamo una breve spiegazione per l'identificazione del vostro sistema Bosch
Beste ci sono altre incertezze?
Siamo lieti di chiarire questi dubbi per lei. Con competenze tecniche, troviamo la soluzione migliore per le sue esigenze.