Regelsteuergerät zum Bosch-System SRZ -TB- SB7
Regelsteuergerät zum Bosch-System SRZ -TB- SB7
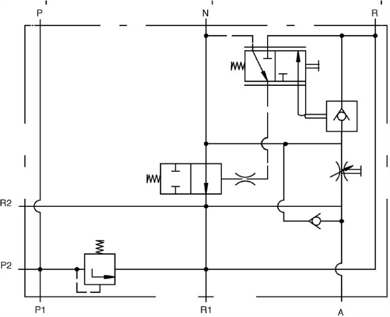
Angeboten werden hier neue Nachbausteuergeräte als Ersatz für die Bosch SB7 Regelsteuergeräte für verschiedene Traktoren.
Sie funktional identisch mit den originalen Steuergeräten und kompatibel zu fast allen bisherigen Varianten der SB7 Regelsteuergeräte.
Im Set enthalten sind zwei verschiedene Betätigungen für die Senkdrossel, sowie ein steckbarer Stopfen, um bei Bedarf einen Anschluss der Flanschfläche zu verschließen, wie es teilweise bei den SB7 Ventilen auch der Fall war.
Technische Daten:
Max. Betriebsdruck: 220 bar
Max. Ruecklaufdruck: 50 bar
Nenndurchfluss: 70 l/min
Anzugsdrehmoment [Nm]: 30 Nm
Überdeckung: positiv
Anschlüsse: M18 x 1,5
Allgemeiner Hinweis:
Bei der Montage sind unbedingt schlepperspezifische Hinweise aus den entsprechenden Herstelleranleitungen zu beachten!
Insbesondere Hinweise zum Einstellen des Regelgestänges des Schleppers müssen beachtet werden.
Alle SB7-Regelsteuergeräte haben einen identischen Regelbereich sind ab Werk voreingestellt.
Das Steuergerät wurde eingebaut in Traktoren der Marken:
Fendt, Eicher, Schlüter, MB Trac, IHC, Deutz, Kramer, Lindner, Hanomag, Steyr und einige weitere....
Teilen
Lagerhållningsenhet:AK19079
Låg lagernivå: 2 kvar
Det gick inte att ladda hämtningstillgänglighet







