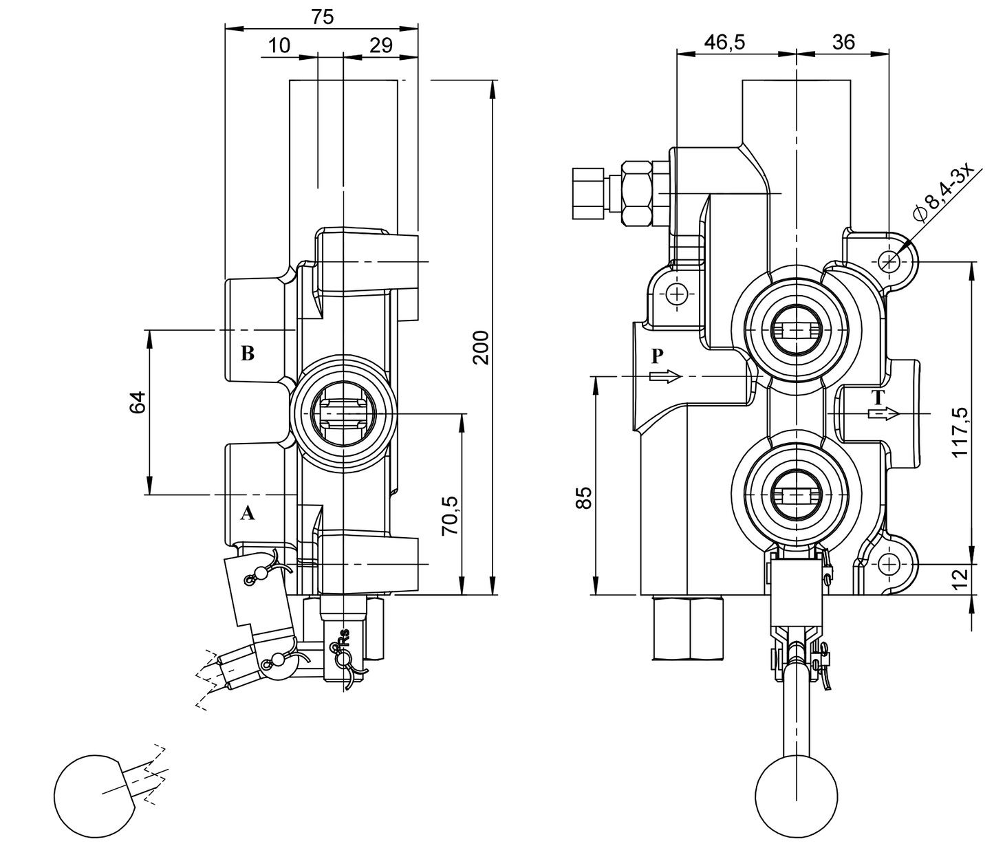
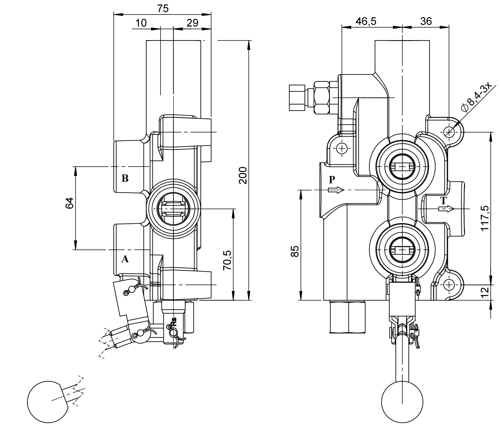
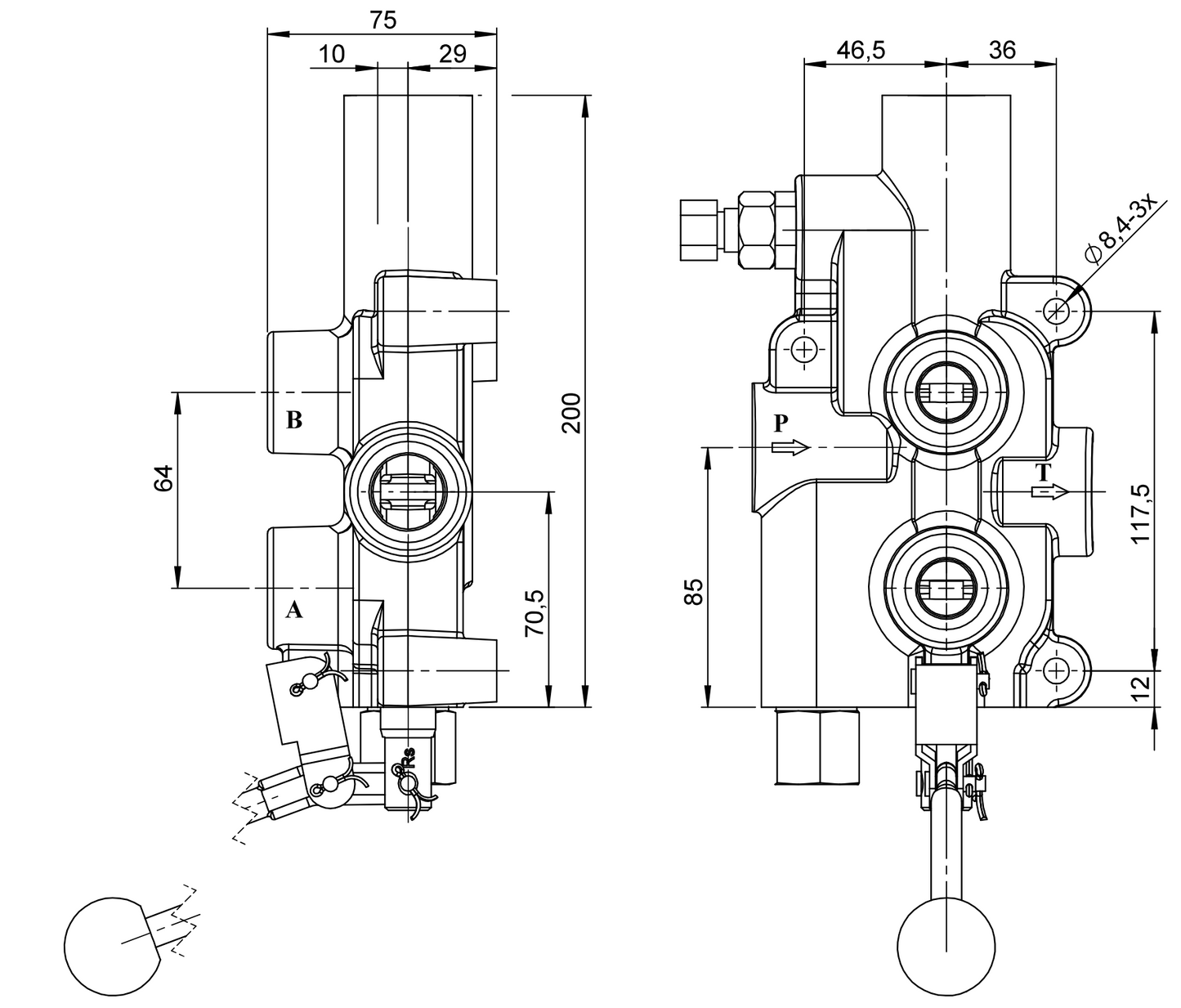
Hydraulikventil mit Eilgang und Kick-Out für Holzspalter
Hydraulikventil mit Eilgang und Kick-Out für Holzspalter
Es handelt sich hier um ein speziell für die Anwendung im Holzspalter entworfenes Ventil.
Bei dem Ausfahren erhöht es die Kolbengeschwindigkeit durch die integrierte Eilgangfunktion deutlich. Das rücklaufende Öl aus der Kolbenstangenseite des Zylinders wird dann zusätzlich auf die Kolbenbodenseite geführt.
Sobald der Druck im Zylinder sich erhöht (also wenn der Spaltkeil das Holzscheit erreicht) schaltet das Ventil in die bekannte doppeltwirkende Funktion zurück und die Anlage spaltet mit vollem Druck das Holzscheit.
Anschließend stellt man das Steuergerät in die hinterste Stellung. Diese Stellung ist gerastet und das Steuergerät fährt ohne aktive Betätigung den Zylinder zurück. Nach Erreichen der Endstellung schaltet das Ventil zurück in den Neutralumlauf und das Öl läuft drucklos durch die Anlage.
Diese Funktion wird auch Kick-Out genannt.
Das Ventil lässt sich in Verbindung mit den verschiedensten Systemen nutzen.
Das integrierte Druckbegrenzungsventil schützt die Anlage gegen Überdruck.
Technische Daten:
- max. Volumenstrom: 80 l/min
- max Arbeitsdruck: 250 bar
- Pumpenanschluss: G3/4"
- Tankanschluss: G3/4"
- Arbeitsanschlüsse A+B: G1/2"
Teilen
Lagerhållningsenhet:YFM80/1DECL4P
I lager
Det gick inte att ladda hämtningstillgänglighet






