1
/
av
7
Bosch SB23 OC Zusatzsteuergerät (AK Regeltechnik)
Bosch SB23 OC Zusatzsteuergerät (AK Regeltechnik)
Angebot werden hier SB23 OC Ventile, die bei verschiedenen Traktoren der Hersteller JCB, CASE, IHC, Deutz und Zetor verbaut wurden.
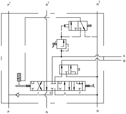
Das Zusatzsteuergerät ist ein Vierstellungsgerät, dass für doppelt- und einfachwirkende Hubzylinder eingesetzt werden kann. Es besitzt schiebergedichtete Zylinderanschlüsse A und B. Dies bedeutet, dass eine äußerst geringe Leckage bei hohen Lasten zulässig ist. Das Gerät hat eine Rasterstellung in der Pos.- Heben-, die mit hydraulisch-automatischer Endabschaltung bestückt ist und bei 180 bar entriegelt. Schaltet man über die Senkenposition weiter, wird die gerastete Schwimmstellung- eingeschaltet, die hydraulisch nicht entrastet wird (Verbraucheranschlüsse A und B sind miteinander zum Rücklauf verbunden). Die Pos. Schwimmstellung kann sowohl bei doppeltwirkenden als auch bei einfachwirkenden Hubzylindern als gerastete Senkstellung benutzt werden. Das Zusatzsteuergerät ist von doppeltwirkend auf einfachwirkend und umgekehrt umstellbar. Dies ist auch während des Betriebes möglich. Das Ventil kann durch eine frei positionierbare Dichtplatte links als auch rechts montiert werden.
Max. Betriebsdruck [bar]: 220
Max. Ruecklaufdruck [bar]: 10
Nenndurchfluss [l/min]: 70
Anzugsdrehmoment [Nm]: 30
Überdeckung: positiv
Anschlüsse [mm]: M22 x 1,5
Gewicht [kg]: 4,26
Betriebstemperatur [°C]: -20...+80
Bosch-Vergleichsnummern:
0 521 609 001, 0 521 609 003, 0 521 609 005, 0 521 609 009, 0 521 609 010, 0 521 609 011, 0 521 609 013, 0 521 609 014, 0 521 609 019, 0 521 609 021, 0 521 609 022, 0 521 609 043, 0 521 609 049, 0 521 609 053, 0 521 609 054, 0 521 609 062, 0 521 609 063, 0 521 609 064, 0 521 609 068, 0 521 609 069, 0 521 609 070, 0 521 609 074, 0 521 609 079, 0 521 609 080, 0 521 609 086, 0 521 609 089, 0 521 609 092, 0 521 609 093, 0 521 609 096
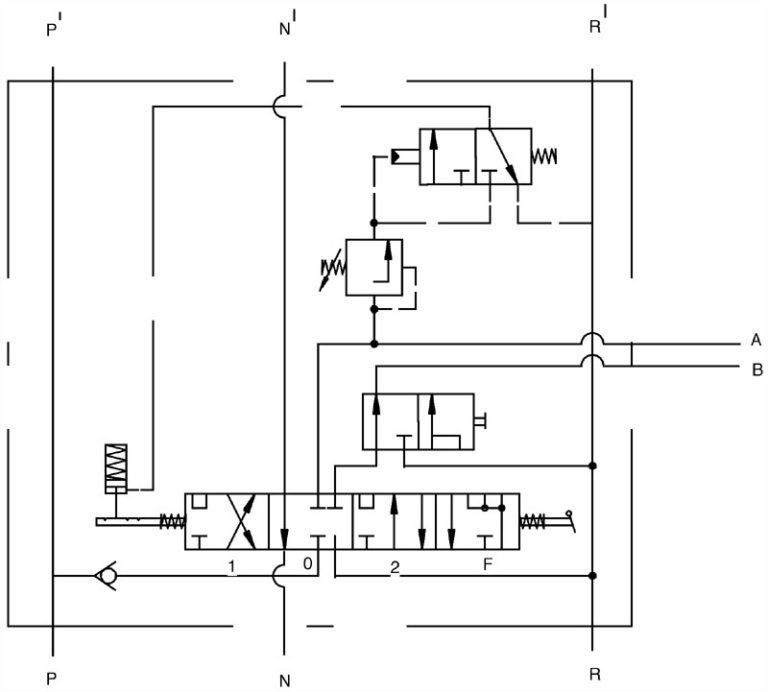
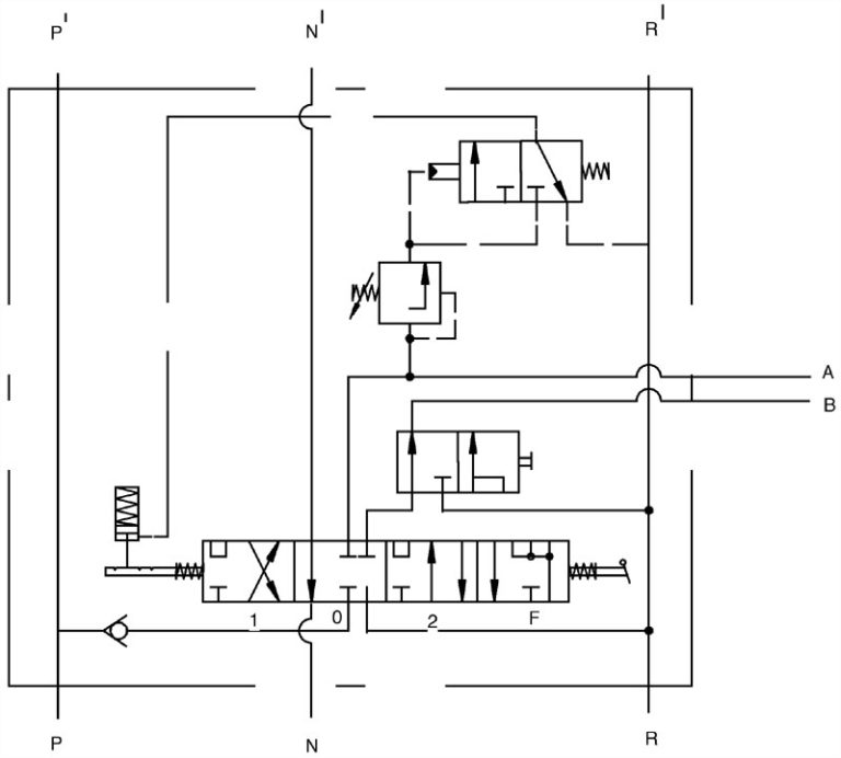
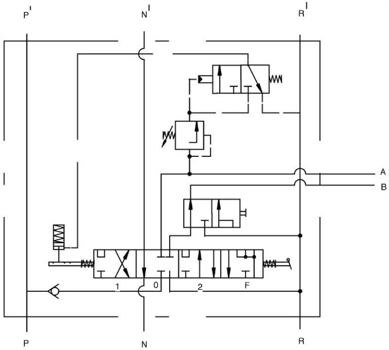
Das Zusatzsteuergerät ist ein Vierstellungsgerät, dass für doppelt- und einfachwirkende Hubzylinder eingesetzt werden kann. Es besitzt schiebergedichtete Zylinderanschlüsse A und B. Dies bedeutet, dass eine äußerst geringe Leckage bei hohen Lasten zulässig ist. Das Gerät hat eine Rasterstellung in der Pos.- Heben-, die mit hydraulisch-automatischer Endabschaltung bestückt ist und bei 180 bar entriegelt. Schaltet man über die Senkenposition weiter, wird die gerastete Schwimmstellung- eingeschaltet, die hydraulisch nicht entrastet wird (Verbraucheranschlüsse A und B sind miteinander zum Rücklauf verbunden). Die Pos. Schwimmstellung kann sowohl bei doppeltwirkenden als auch bei einfachwirkenden Hubzylindern als gerastete Senkstellung benutzt werden. Das Zusatzsteuergerät ist von doppeltwirkend auf einfachwirkend und umgekehrt umstellbar. Dies ist auch während des Betriebes möglich. Das Ventil kann durch eine frei positionierbare Dichtplatte links als auch rechts montiert werden.
Max. Betriebsdruck [bar]: 220
Max. Ruecklaufdruck [bar]: 10
Nenndurchfluss [l/min]: 70
Anzugsdrehmoment [Nm]: 30
Überdeckung: positiv
Anschlüsse [mm]: M22 x 1,5
Gewicht [kg]: 4,26
Betriebstemperatur [°C]: -20...+80
Bosch-Vergleichsnummern:
0 521 609 001, 0 521 609 003, 0 521 609 005, 0 521 609 009, 0 521 609 010, 0 521 609 011, 0 521 609 013, 0 521 609 014, 0 521 609 019, 0 521 609 021, 0 521 609 022, 0 521 609 043, 0 521 609 049, 0 521 609 053, 0 521 609 054, 0 521 609 062, 0 521 609 063, 0 521 609 064, 0 521 609 068, 0 521 609 069, 0 521 609 070, 0 521 609 074, 0 521 609 079, 0 521 609 080, 0 521 609 086, 0 521 609 089, 0 521 609 092, 0 521 609 093, 0 521 609 096
Teilen
Lagerhållningsenhet:AK19124
Låg lagernivå: 2 kvar
Ordinarie pris
€469,00 EUR
Ordinarie pris
Försäljningspris
€469,00 EUR
Skatter ingår.
Frakt beräknas i kassan.
Kvantitet
Det gick inte att ladda hämtningstillgänglighet






