1
/
von
4
Push-Pull-Kupplungen BG3 Halter 4+1
Push-Pull-Kupplungen BG3 Halter 4+1
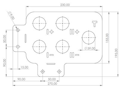
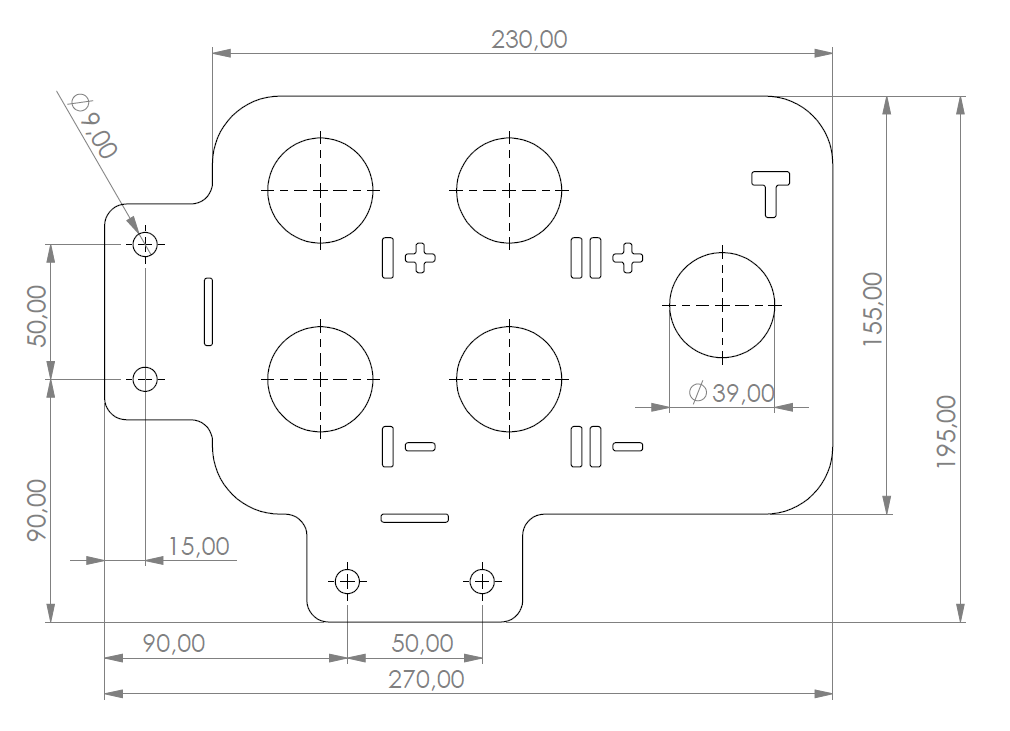
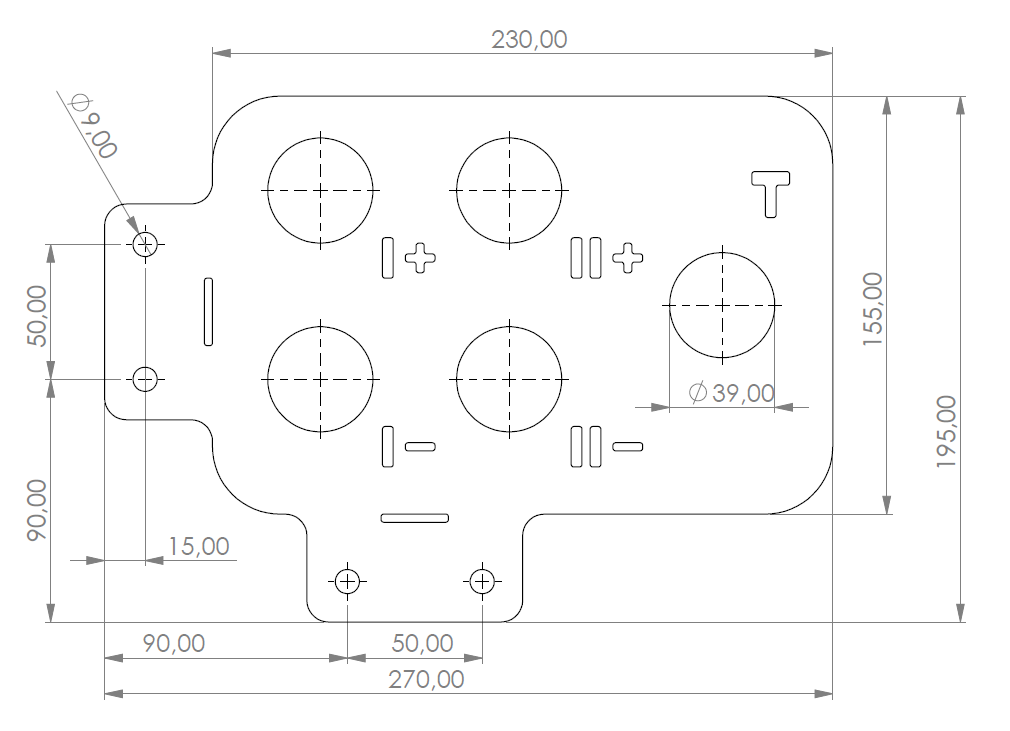
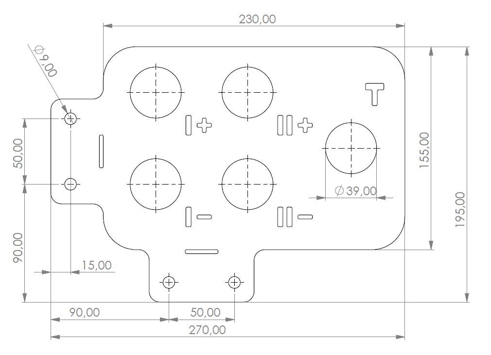
Angeboten werden hier Grundplatten für zwei doppeltwirkende Steuergeräte und zusätzlichem drucklosen Rücklauf oder bis zu vier einfachwirkende Steuergeräte mit zusätzlichem drucklosen Rücklauf.
Diese Grundplatte ermöglicht die korrekte Nutzung der Push/Pull-Funktion der Steckkupplungen. Dazu werden die Steckkupplungen mit Sicherungsringen am Blech frei drehbar montiert.
Nun lassen sich die Stecker nur durch ziehen oder drücken in die Muffen stecken.
Auch eine Abreißfunktion ist damit sichergestellt.
Die Grundplatte lässt sich in verschiedenen Positionen montieren und durch die Entlastungsschlitze auch mit passabler Qualität an dem Schraubstock biegen.
Nicht benötigte Befestigungen können dann abgeschnitten werden.
Technische Daten:
- Stahlblech S235
- 4mm Materialstärke
- Laserzuschnitt (mit Sauerstoff)
- Grundmaße: 270x195mm
Diese Grundplatte ermöglicht die korrekte Nutzung der Push/Pull-Funktion der Steckkupplungen. Dazu werden die Steckkupplungen mit Sicherungsringen am Blech frei drehbar montiert.
Nun lassen sich die Stecker nur durch ziehen oder drücken in die Muffen stecken.
Auch eine Abreißfunktion ist damit sichergestellt.
Die Grundplatte lässt sich in verschiedenen Positionen montieren und durch die Entlastungsschlitze auch mit passabler Qualität an dem Schraubstock biegen.
Nicht benötigte Befestigungen können dann abgeschnitten werden.
Technische Daten:
- Stahlblech S235
- 4mm Materialstärke
- Laserzuschnitt (mit Sauerstoff)
- Grundmaße: 270x195mm
Teilen
SKU:
6 auf Lager
Normaler Preis
€30,00 EUR
Normaler Preis
Verkaufspreis
€30,00 EUR
Inkl. Steuern.
Versand wird beim Checkout berechnet
Anzahl
Verfügbarkeit für Abholungen konnte nicht geladen werden



