Lasthalteventil / Senkbremsventil, doppeltwirkend; 3/8"
Lasthalteventil / Senkbremsventil, doppeltwirkend; 3/8"
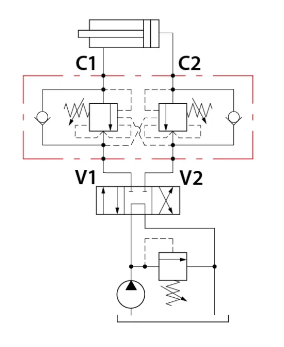
Angeboten werden hier Lasthalteventile (bzw. Senkbremsventile) für doppeltwirkende Hydraulikzylinder (bzw. doppeltwirkende Hydraulikfunktionen).
Das Lasthalteventil dient zum leckagefreien und sicherem Halten von Hydraulikzylindern oder vergleichbarer doppeltwirkender Funktionen. Das Ventil hat gleichzeitig eine Druckbegrenzungsfunktion und öffnet bei Überschreitung des eingestellten Wertes.
Der besondere Vorteil der Lasthalteventile gerade gegenüber von doppeltentsperrbaren Rückschlagventilen liegt im wesentlich feinfühligeren Öffnungsverhalten.
Außerdem können sie bei ziehenden Lasten einen Gegendruck erzeugen, wodurch die Lasten feinfühliger regeln lassen.
Dieses Ventil ist außerdem druckkompensiert, das bedeutet, das vorgelagerte Ventil nicht entlastet werden muss, damit dieses Ventil sicher absperrt.
Technische Daten:
- Anschlussgrößen: G 3/8" BSP (C1 + C2 + V1 + V2)
- Nominaler Volumenstrom: 40 l/min
- Einstellbereich: 100 - 350 bar
- Aufsteuerverhältnis: 1 : 4,5
- Max. Arbeitsdruck: 350 bar
- Verstelleinrichtung: Gewindestift mit Kontermutter
- Material: Stahl verzinkt
Dicsa
Teilen
SKU:VBCD38-DE-A-CC-8L
Niedriger Lagerbestand: 3 verbleibend
Verfügbarkeit für Abholungen konnte nicht geladen werden
